Hammond C4B2436SBK1 solid cabinet bottom
Rs. 58.43
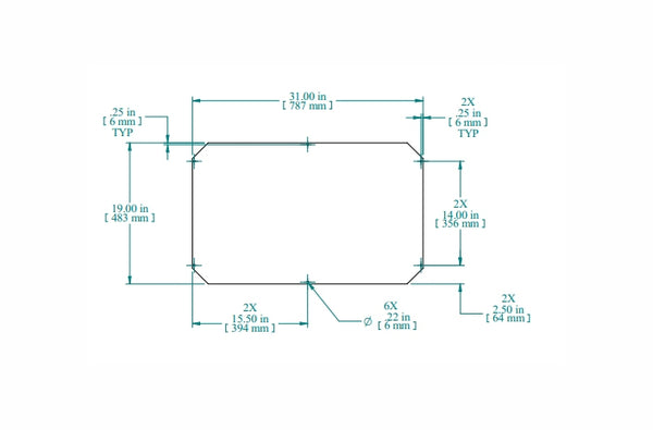
Hammond's C4B2436SBK1 is a cabinet solid bottom for the 24 inch (610 mm) wide x 36 inch (914 mm) deep C4 series cabinet frames. The C4B2436SBK1 comes with mounting hardware and finished in textured black powder paint finish.
- Recommended for use where protection from dust or falling objects is required.
- Made from 14 gauge steel construction.
- 19 inches (482 mm) wide x 31 inches (787 mm) deep.
- For use with the C4 cabinet series.
- Mounting hardware included.
C4B2436SBK1 Hammond cabinet solid bottom panel 24”W x 36”D - Product Specifications